+7 (912)-751-33-24Заказать звонок
Заказать звонок

Оставьте Ваше сообщение и контактные данные и наши специалисты свяжутся с Вами в ближайшее рабочее время для решения Вашего вопроса.

Ваш телефон
Ваш телефон*
Ваше имя
Ваше имя

* - Поля, обязательные для заполнения

Сообщение отправлено
Ваше сообщение успешно отправлено. В ближайшее время с Вами свяжется наш специалист
Закрыть окно
arbatex@list.ru
Каталог товаров
Подписка на новости магазина

Подпишитесь на рассылку и получайте свежие новости и акции нашего магазина.

Описание товара:

ТБ453-1000-18 - быстродействующий тиристор таблеточного исполнения.
Предназначен для работы в статических преобразователях электроэнергии,
в силовых установках постоянного и переменного тока, в которых требуется малое время выключения и включения
2 470 руб. / шт Цена не является конечной и требует уточнения у менеджера.
Загрузка
Рассчитываем стоимость доставки
Пожалуйста подождите, рассчет займет немного времени

Описание товара

Описание


ТБ453-1000-18 - быстродействующий тиристор таблеточного исполнения.
Предназначен для работы в статических преобразователях электроэнергии,
в силовых установках постоянного и переменного тока, в которых требуется малое время выключения и включения,
а также высокие критические скорости нарастания напряжения в закрытом состоянии и тока в открытом состоянии.
Выпускается в металлокерамическом корпусе для двухстороннего охлаждения.
Охлаждение воздушное естественное или принудительное.

Параметры и характеристики


Максимально допустимый действующий ток - 1000 А
Повторяющееся импульсное напряжение в закрытом состоянии и повторяющееся импульсное обратное напряжение - 1800 В
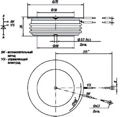
Габаритные размеры:
- диаметр - 75 мм
- высота - 26 мм
Масса тиристора не более 550 г.
Тип применяемого охладителя - О153, О253, ОМ106.

• Uобр макс - Максимальное постоянное обратное напряжение
• Uзс макс - Максимальное напряжение в закрытом состоянии
• Iос ср макс - Максимальный средний прямой ток
• Uос макс - Максимальное напряжение в открытом состоянии
• Uу нот - Неотпирающее постоянное напряжение управления
• Iзс макс - Максимальный постоянный ток в закрытом состоянии
• Iобр макс - Максимально допустимый постоянный обратный ток
• Iу от - Отпирающий постоянный ток управления
• Uу от - Отпирающее напряжение управления
• t вкл - Время включения
• t выкл - Время выключения
• T - Температура окружающей среды
Добавить отзыв
Ваша оценка:
Отправить отзыв

Похожие товары (8)

2 470 руб. / шт Цена не является конечной и требует уточнения у менеджера.
ТБ453-1000-18
Задать вопрос

Ваше имя*
Контактный телефон*
E-mail
Вопрос*

* - Поля, обязательные для заполнения

Сообщение отправлено
Ваше сообщение успешно отправлено. В ближайшее время с Вами свяжется наш специалист
Закрыть окно
Купить в один клик
Заполните данные для заказа
Запросить стоимость товара
Заполните данные для запроса цены
Запросить цену Запросить цену